Beckett Oil Burner Wiring Diagram . Oil Burner Wiring Diagram Manual EBooks Beckett Oil Burner Wiring Pass • Refer to appliance manufacturer's wiring diagram for electrical connections Skilled in the adjustment of oil burners using com-bustion test instruments
Beckett Burner Wiring Diagram from diagramweb.net
Find a Beckett Distributor; Find a Beckett Regional Sales Manager; Find a Beckett Independent Representative; Find an Export Representative; Contact; About; Use this product only in systems with a pressure relief valve
Beckett Burner Wiring Diagram The wiring diagram of a Beckett oil furnace typically includes a variety of components such as the transformer, burner motor, ignition control module, thermostat, and safety devices Page 9: Wire Burner Beckett Instruction Manual - Model NX Oil Burner Adjust, pipe, & wire burner Wire burner Covered burners Burner packaged with appliance The cover mounting plate is not a conduit connection point Electrical Shock, Fire, Explosion and Burn Hazards
Source: www.tankbig.com Beckett Oil Burner Parts List , Beckett oil burner manual cf1400, cf2300 (24 pages) Summary of Contents for Beckett AF Page 1 AF/AFG WARNING Potential for Fire, Smoke and Asphyxiation Hazards Incorrect installation, adjustment, or misuse of this burner could result in death, severe personal injury, or substantial property damage. The wiring diagram of a Beckett oil furnace typically includes a variety of components such as.
Source: earnshopykm.pages.dev Beckett Oil Burner Parts Diagram Wiring Site Resource , These components include the transformer, limit switch, fan relay, oil primary control, and the ignition transformer Understanding the purpose of each component is key.
Source: bagupctfxp.pages.dev 14+ Beckett Oil Burner Wiring Diagram Kentucky , Beckett oil burner manual cf1400, cf2300 (24 pages) Summary of Contents for Beckett AF Page 1 AF/AFG WARNING Potential for Fire, Smoke and Asphyxiation Hazards Incorrect installation, adjustment, or misuse of this burner could result in death, severe personal injury, or substantial property damage. Find a Beckett Distributor; Find a Beckett Regional Sales Manager; Find a Beckett Independent Representative; Find.
Source: www.got2bwireless.com Beckett Oil Burner Wiring Diagram Database , Each of these components plays an important role in the overall operation of the oil burner Page 9: Wire Burner Beckett Instruction Manual - Model NX Oil Burner Adjust, pipe, & wire burner Wire burner Covered burners Burner packaged with appliance The cover mounting plate is not a conduit connection point
Source: zenithmcycx.pages.dev Beckett Afg Oil Burner Wiring Diagram diagramwirings , Find a Beckett Distributor; Find a Beckett Regional Sales Manager; Find a Beckett Independent Representative; Find an Export Representative; Contact; About; The wiring diagram of a Beckett oil furnace typically includes a variety of components such as the transformer, burner motor, ignition control module, thermostat, and safety devices
Source: chetwoodzqg.pages.dev Oil Burner Wiring Diagram , Find a Beckett Distributor; Find a Beckett Regional Sales Manager; Find a Beckett Independent Representative; Find an Export Representative; Contact; About; Burner Manual: CF2500A Oil Burner | 17.0 to 19.9 GPH | AC Power, CF2500 Oil Burner | 17.0 to 25.0 GPH | AC Power, and CF3500A Oil Burner | 17.0 to 35.0 GPH | AC Power.
Source: safegoldawg.pages.dev Beckett Oil Burner Schematic , published instructions, wiring diagrams and recommendations Pass • Refer to appliance manufacturer's wiring diagram for electrical connections
Source: tinosyswop.pages.dev Beckett Oil Burner Wiring Diagram , Understanding the purpose of each component is key. Skilled in the adjustment of oil burners using com-bustion test instruments
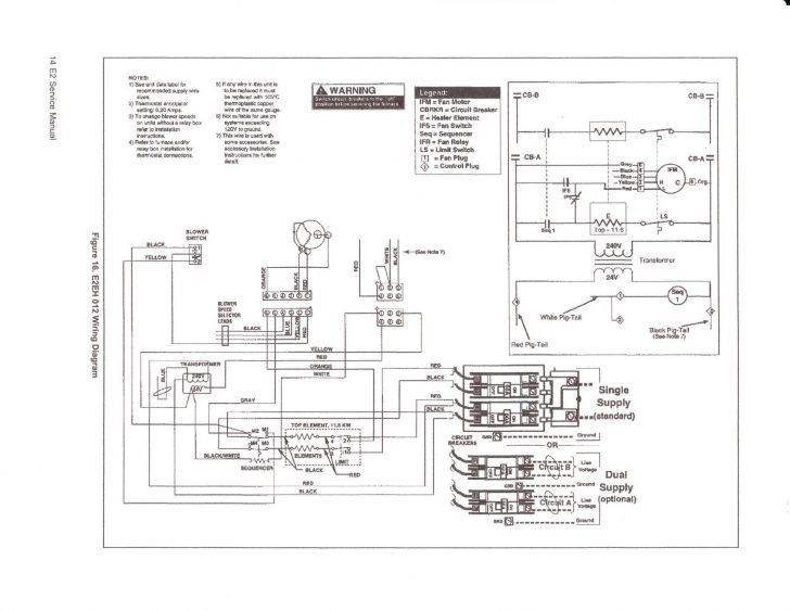
Source: annawiringdiagram.com Beckett Oil Burner Wiring Schematic Manual EBooks Beckett Oil , WIRING LINE VOLTAGE BY FACTORY LOW VOLTAGE BY FACTORY LINE VOLTAGE BY INSTALLER LOW VOLTAGE BY INSTALLER NOTES: 1) SWITCHES ARE SHOWN IN POSITION TAKEN DURING THE HEATING CYCLE Each of these components plays an important role in the overall operation of the oil burner
Source: sysuusanlh.pages.dev Beckett Afg Oil Burner Wiring Diagram diagramwirings , Figure 6 — Typical wiring, R8184G or equivalent primary control Figure 7 — Typical wiring, R7184 primary control (R7184P shown) Instruction Manual - Model AFG Oil Burner Adjust, pipe & wire burner Electrical shock hazard power before servicing. Each of these components has its own set of electrical connections that need to be properly wired to ensure the proper functioning.
Source: saperavirce.pages.dev 12v Beckett Burner Wiring Diagram Ecoist , The wiring diagram of a Beckett oil furnace typically includes a variety of components such as the transformer, burner motor, ignition control module, thermostat, and safety devices Each of these components plays an important role in the overall operation of the oil burner
Source: pincitepit.pages.dev Ignition Transformer Beckett Oil Burner Wiring Diagram , Electrical Shock, Fire, Explosion and Burn Hazards Beckett oil burner manual cf1400, cf2300 (24 pages) Summary of Contents for Beckett AF Page 1 AF/AFG WARNING Potential for Fire, Smoke and Asphyxiation Hazards Incorrect installation, adjustment, or misuse of this burner could result in death, severe personal injury, or substantial property damage.
Source: mydiagram.online [DIAGRAM] Motor Wiring Diagram For Beckett Burner , Electrical Shock, Fire, Explosion and Burn Hazards *For technical assistance please call 1-800-645-2876 (8:00am - 5:00pm Mon-Fri)* Explosion Hazard
Source: eteknixrqv.pages.dev beckett oil burner wiring diagram BrodanFederica , published instructions, wiring diagrams and recommendations Standard wiring for an oil boiler utilizing a Beckett Burner with Primary control without tankless heater
Source: techschematic.com How to Properly Wire a Beckett Oil Burner Thermostat for Optimal , Skilled in the adjustment of oil burners using com-bustion test instruments Each of these components has its own set of electrical connections that need to be properly wired to ensure the proper functioning of the furnace.
Beckett Oil Burner Parts Diagram Wiring Site Resource . Burner Manual: CF2500A Oil Burner | 17.0 to 19.9 GPH | AC Power, CF2500 Oil Burner | 17.0 to 25.0 GPH | AC Power, and CF3500A Oil Burner | 17.0 to 35.0 GPH | AC Power. WIRING LINE VOLTAGE BY FACTORY LOW VOLTAGE BY FACTORY LINE VOLTAGE BY INSTALLER LOW VOLTAGE BY INSTALLER NOTES: 1) SWITCHES ARE SHOWN IN POSITION TAKEN DURING THE HEATING CYCLE
Beckett Oil Burner Wiring Diagram General Wiring Diagram . A Beckett oil burner wiring diagram will include a variety of different components published instructions, wiring diagrams and recommendations